

























Бойлер Tiki GBF 80 UA - это современный накопительный водонагреватель, который порадует Вас элегантным дизайном. Он оснащен простым и понятным блоком управления и потребляет минимум энергии. Цилиндрический бак имеет механическое управление, а регулятор температуры - открытый (на корпусе). В бойлер с объемом бака 80 л встроен сухой ТЭН мощностью 2000 Вт, он быстро греет воду и имеет долгий строк службы. Вертикальная установка позволяет производить монтаж в любом доступном для Вас месте.
Режимы работы
- Режим «антизамерзание»: ~10°C;
- Низкая температура: ~35°C;
- Экономичный нагрев: ~55 °C;
- Максимальный нагрев: ~75°C.
Включение и выключение бойлера
После подключения к водопроводу и электросети водонагреватель готов к использованию. Температуру нагрева воды можно регулировать в диапазоне от 10 до 75°C с помощью поворотной ручки термостата, расположенной на передней панели устройства. Рекомендуется устанавливать термостат в положение “ECO”, поскольку это наиболее энергоэффективный режим. В этом случае температура воды поддерживается на уровне примерно 55°C, что уменьшает образование накипи и тепловые потери. О работе нагревательного элемента сигнализирует индикаторная лампа.
Если вы планируете не пользоваться бойлером в течение одной-двух недель, а температура в помещении ниже 10°C, установите режим "Антизамерзание" - он автоматически поддерживает температуру воды на уровне 10°C, предотвращая замерзание. При длительном отсутствии (более 3–4 недель) рекомендуем слить воду из бойлера и выключить его из сети во избежание появления бактерий и неприятного запаха в воде.
Слив воды осуществляется через дренажный клапан или при его отсутствии - предохранительный клапан (режим Test).
Монтаж
- Чтобы сохранялась гарантия, нужно обязательно установить: редуктор давления и обратный клапан.
- Также нужно позаботиться о заземлении.
- Вы можете самостоятельно смонтировать и подключить Ваш бойлер к системе водоснабжения и электросети согласно инструкции по эксплуатации – гарантия при этом сохраняется.
- В то же время рекомендуем воспользоваться услугами наших специалистов, чтобы обеспечить корректное подключение и бесперебойную работу оборудования.
Что входит в комплект к Вашему водонагревателю?
- Водонагреватель – готовое к установке устройство
- Предохранительный клапан – для безопасной эксплуатации
- Кронштейн (монтажная планка) – для надежного крепления
- Инструкция и гарантийный талон – с подробными рекомендациями и официальной гарантией
О гарантии
Гарантия от производителя на рабочий бак бойлера серии GBF UA New составляет 10 лет, на электрическую часть 24 месяца.
* Подробные рекомендации по техническому обслуживанию (ТО) и по срокам замены магниевого анода находятся в гарантийном талоне или в инструкции по эксплуатации. При несоблюдении указанных правил, гарантийные обязательства не поддерживаются сервисным центром.
Кабели
Общее
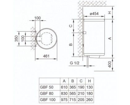
Габариты и вес
Нет отзывов о данном товаре.
Нет вопросов об этом товаре.
Время работы менеджеров: четверг с 10:00 до 18:00, пятница с 10:00 до 15:00.
Заказы на сайте принимаются круглосуточно, обрабатываются в рабочее время.
- на сайте Онлайн,
- на рассчетный счет,
- на карту ФОП для удобства
- наложенный платеж (эсть некоторые ограничения).
Отправляем:
- Укрпочта,
- Новая Почта (доступнен бесплатный "Легкий возврат").